样品详情:
硬质铝箔板
硬质铝箔板以纯度≥99%的工业纯铝为基材,经热轧、冷轧至0.1mm以上厚度,部分经退火、覆膜或贴合板材处理,提升硬度与挺度。用途上,工业端可作电子设备电磁屏蔽层、锂电池集流体、模具垫片;手工/标识领域用于标牌基材、模型制作;少量用于高温烹饪场景的定型包裹。核心应用于电子制造、新能源(锂电)、机械加工、广告标识等行业,是兼具金属特性与塑形性的工业基础耗材。

检测要求:金相显微镜放大观察金相微观组织,维氏硬度计测量硬度。
检测流程:切割➡研磨➡抛光➡观察➡测量
样品制备流程
(1)样品切割
直接用剪刀进行裁剪

切割前:

切割后:
为什么裁剪的这么“小”
金相镶嵌优先选小尺寸物品,核心是适配磨抛需求:小试样镶嵌后受力更均匀,易控制平面度,减少划痕、崩边等缺陷;能适配标准化设备,降低夹具成本、提升制样效率;边缘被镶嵌料包裹更充分,保护试样组织完整。但需控制检验面积≤320mm²、高度 15-20mm,兼顾磨抛便利性与检测代表性,避免过小缺乏客观性。
(2)热压镶嵌
设 备:ZXQ-30自动镶嵌机
模套规格: Φ30mm
镶嵌参数:镶嵌粉颜色:黑色
镶嵌温度:135℃
保压时间:6min

镶嵌设备

镶嵌前

镶嵌中

镶嵌后
样品镶嵌的主要目的
保护边缘、便于制样并提高分析准确性。通过树脂包埋,可固定脆弱或微小样品,防止磨抛时边缘崩裂;标准化尺寸适配设备,确保磨抛均匀;还能填充孔隙(如涂层、多孔材料),避免划痕或假象。此外,镶嵌后更易操作,提升制样效率,尤其适合自动化流程,最终保障显微观察的清晰度和数据可靠性。
(3)
研磨抛光
设 备:ZMP-2全自动磨抛机
磨盘直径: Φ250mm
磨盘规格:P180/P400/P800/P1500
抛光规格:羊绒抛光布+3um金刚石悬浮液



磨抛前

磨抛后
制样磨抛难度点:
1. 产品硬度低,磨样需把控时间。
2. 需配合镶嵌夹具,将样品竖着磨抛。
3. 需注意打磨砂纸目数。
4)
观察分析
设 备:BM7金相显微镜
参数配置:目镜:高眼点大视野目镜PL10X/22mm
物镜:无限远消色差物镜 5X、10X、20X、50X、100X
照明系统:透反射柯拉照明系统LED灯室,中心可调,带滤色片/斜照明装置

软 件:imageView图像软件

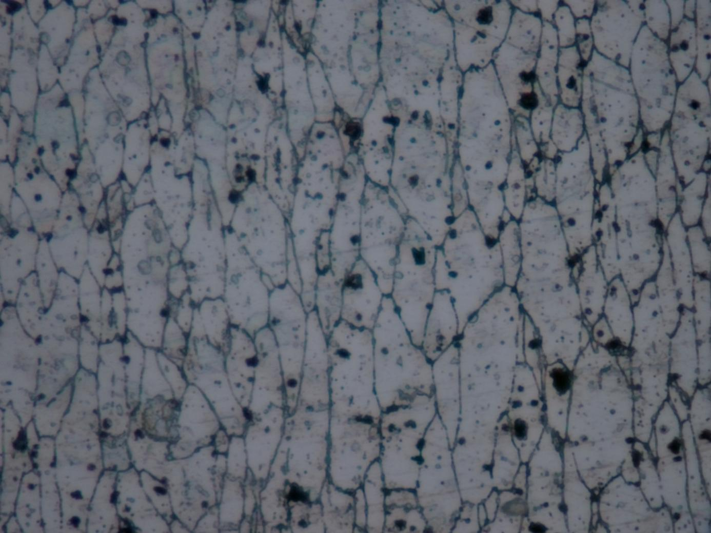
50X镜头下未腐蚀效果

100X镜头下未腐蚀效果

200X镜头下未腐蚀效果

500X镜头下未腐蚀效果

1000X镜头下未腐蚀效果

50X镜头下腐蚀效果

100X镜头下腐蚀效果

200X镜头下腐蚀效果

500X镜头下腐蚀效果

1000X镜头下腐蚀效果
(5)测量分析
设 备:MHVS- 50AT
实 验 力(kgf):1、2、3、5、10、20、30、50
执行标准:GB/T4340, JJG151, ISO6507, ASTM E384
硬度转换:HV、HK、HR、HB 等
测量软件:维氏硬度图像处理软件


维氏硬度图像处理软件

软件自动生成测量报告
小结
1. 通过 500~1000X 放大下的 50μm 标尺估算,该组织为细小等轴再结晶晶粒,晶粒尺寸均匀(无明显粗大 / 异常晶粒),对应 GB/T 3246.1-2022 中 “细晶” 范畴;若参照 ASTM 晶粒度等级,大致处于9~10 级(晶粒平均直径约 10~15μm),属于均匀细晶组织。
2. 图片中黑点为弥散分布的析出相(如 Mg₂Si)或微量夹杂物,其分布状态符合标准中 “弥散分布、无聚集性偏聚” 的要求,析出相数量及分布状态均为正常范围。
3. 整体组织无晶粒大小悬殊、无局部偏析 / 异常相聚集,满足 GB/T 3246.1-2022 中 “组织均匀性合格” 的判定条件,属于变形铝合金冷加工再结晶 / 时效处理后的正常合格组织。
4. 参照 GB/T 4340.1-2009《金属材料 维氏硬度试验》,采用 1 kg 载荷对样品进行不少于 3 点均匀取样测试,经标准块校准的硬度计检测数据准确,平均硬度值处于技术要求范围内,无明显波动,硬度指标符合变形铝合金制品质控标准。